
The Stm8s103f3p6 Стикроэлектроника тарабынан жасалган 8 биттик микрокрокролог, анын таасирдүү функционалдык функционалдык жана интеграциясы үчүн атагы чыккан.Бул компакт аппаратынын үстүңкү шайманы (SMD) орнотулган стили менен жабдылган, кесилген техниканы колдонуу менен жасалган техниканы колдонуп, өнүккөн өзөктөн жана четки зеригин камтыган, алдыңкы негизги ядро жана чет жакалар.Саат 16 МГц жыштыгы менен, STM8S103F3P6 менен, натыйжалуу маалыматтарды иштеп чыгууну жана иштетүүнү камсыз кылганКөзкарандысыз саат булакы жана саат коопсуздугу тутуму менен жабдылган анын көзкарандысыз күзөтчү таймери, оптималдуу түзмөктүн иштешине жана потенциалдуу бузулуулардан турууга кепилдик берет.
Анын маектешүү өзгөчөлүктөрүнүн бири - бул флэш эс тутуму, бул коду жана маалыматтар үчүн учуучу эмес.2,95 vдан 5.95 v чейин иштеп жаткан чыңалуу диапазону менен, бул микрокконконтроллер өтө ар тараптуу жана ар кандай өтүнмөлөргө ылайыкташтырылган.Андан тышкары, ал кеңири иштөө температурасын сунуштайт, аны 85 ° C чейин сунуштайт, аны ар кандай экологиялык шарттарда жайгаштырууга ылайыктуу.
• MSP430G2353
• pic16f18444


Кубаттуулукту төмөндөтөт: бул, аны тандап алуу үчүн күч-кубаттын керектөө режимдери, анын ичинде иштебей, уйку режимин, терең уйку режимин жана өчүрүү режимин, ал эми энергияны үнөмдөөгө мүмкүндүк берет.
Жогорку көрсөткүч: Ал жогорку деңгээлдеги STM8 Негизги Архитектурасын кабыл алат, бул операциялык жыштыкты 16жылап турууга мүмкүндүк берет, бул биздин нускама аткаруу ылдамдыгын жакшыртат жана биздин колдонмолорду натыйжалуу эсептөө мүмкүнчүлүктөрүн берет.
Бир нече байланыш интерфейстери: Бул SPI (сериялык перифериялык интерфейс), I2C жана Uart менен кошо ар кандай байланыш бөлүктөрүн колдойт.Ушул интерфейстер аркылуу, ал көбүрөөк функцияларды жана тиркемелерге жетишүү үчүн тышкы шаймандар менен байланышып, өз ара байланышта болот.
Периферал: STM8S103F3P6 микрокконконтроллердеги перифероколук ресурстары бар, анын ичинде 16 кб флэш эс тутуму, ошондой эле GPIO PINS, таймер жана уарт сыяктуу көп колдонулган интерфейлер.Бул четки адамдардын ар түрдүүлүгү түзмөктү ар кандай өтүнмө сценарийлерине ылайыктуу жана ар кандай тармактардын жана тармактардын муктаждыктарын канааттандыра алат.Бул өнөр жай контролу, акылдуу үй же орнотулган тутумдар, STM8S103F3P6 колдоо көрсөтө алат.

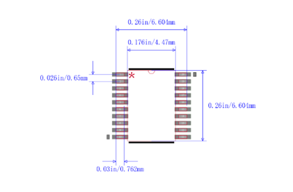
STM8S103F3P6 жука кичинекей схема пакетине (ТСОП) салынган жана 20 казык бар.Дененин жана коргошундун аралыгы стандарттык жумшак топтомдордон кичине.ТСОPдун типтүү өзгөчөлүгү - пакеттелген чиптин айланасындагы казыктардын пайда болушу, ал PCT технологиясын колдонууга ылайыктуу болгон пакеттерди монтаждоо үчүн ылайыктуу кылат.Тосоп пакетин колдонгондо, паразиттик параметрлер (учурдагы чоң өзгөрүүлөрдөн улам келип чыккан өсүштүн чыңалуулугу) кичинекей, ошондуктан ал жогорку жыштык өтүнмөлөргө ылайыктуу.Мындай пакеттин бул түрү иштөө үчүн ыңгайлуу жана жогорку ишенимдүүлүктү жогорулатуу.
Tssop топтомунда төмөнкүдөй өзгөчөлүктөргө ээ:
• Кичинекей ПИН СПАКТУУ: ПИН-ИНСКИОН АРАЛЫКТАР, жалпысынан 0.5mm же 0.65mm.Райондук такта жез бортунун дизайны аркылуу, бир эле аймак жана өлчөм менен райондук тактага көбүрөөк түзмөктөр жайгаштырылышы мүмкүн.
• Өтүнмөнүн кеңири чөйрөсү: Микрокронтроллерлер, DSP, эс тутуму, демпки чипсы жана электр менен жабдуу чиптери сыяктуу ар кандай өтүнмө талааларына колдонсо болот.
• Жогорку пин санын эсептөө: бир нече чип интеграциялоо талаптарын канааттандыра турган бир нече чипти интеграциялоо талаптарын канааттандырса болот.
• Кичинекей пакеттердин көлөмү: кадимки чакан схема (ошондой эле) пакеттерге салыштырмалуу анын пакетинин көлөмү кичине, калыңдыгы арык, жана көлөмү кичинекей, бул жогорку тыгыздык интегралдык схемаларды таңгактоого ылайыктуу.
• Жогорку спектакль: Ал жер үстүндөгү тоосунун технологиясын кабыл алат, ошондой эле жогорку өткөрүмдүүлүк жана коррозиялык каршылыкка ээ жана жогорку ылдамдык, жогорку ылдамдык, жогорку жыштык, миниатюралоо сыяктуу атайын талаптарга жооп бере алат.
Эгерде башкача каралбаса, бардык чыңалуулар VSSке жөнөтүлөт.
Минималдуу жана максималдуу баалуулуктар эң туура шарттарда, курчап турган айлана-чөйрөнү, жабдуу чыңалууну жана жыштыктагы эң туура шарттарда кепилденет.Бул кепилдиктер TA = 25 ° C жана TA = Тамакс (температура диапазонунда аныкталгандай), алар 100% түзмөктөрдүн 100% дыда аталган шаймандардын 100% дын 100% аткарылган.
Мүнөздөтүү натыйжаларына негизделген маанилер, дизайн симуляцияларына негизделген, жана / же технологиялык мүнөздөмөлөр таблицаларда сүрөттөлөт жана өндүрүш сыноосуна дуушар болгон жок.Минималдуу жана максималдуу баалуулуктарга байланыштуу, үлгүлөрдү баалоо үчүн тиешелүү маанилерди, бир катар маанилерди жана бир диапазонундагы орточо маанини үч эсе жогору баалоо (орточо ± 3σ).
Башкача айтылбаса, трамвада маалымат ta = 25 ° C, VDD = 5 V. Бул баалуулуктар бир гана дизайн шилтемелер катары каралган жана тестирлөөдөн өтпөйт.
АККнын баалуулуктарынын типтүү тактыгы стандарттык диффузиядан субпорттук диапазонунда стандарттуу диффузиялык топтун топтомун мүнөздөө аркылуу белгиленет.Бул контекстте, түзмөктөрдүн 95% көрсөтүлгөн маанидеги катаны көрсөтөт (орточо ± 2σ).
Атайын көрсөтүлгөн болсо, бардык стандарттык графиктер долбоорлук шилтемелер катары гана арналган жана тестирлөөгө дуушар болгон жок.
Көрсөтүлгөн абсолюттук максималдуу рейтингдерден ашып кетиши шайманга туруктуу зыян келтириши мүмкүн.Бул рейтингдер стресстин чектерин гана көрсөтөт, ал аппарат чыдай алат жана бул түзмөк ушул шарттарда туура иштешет деп билдирбейт.Максималдуу рейтингдердин шарттарында же ага жакын шарттарга таасир этүүчү түзмөктүн ишенимдүүлүгүнө терс таасирин тийгизиши мүмкүн.
Өтүнмөнүн шарттарын баяндаган аппараттын миссиясы, JEDEC Jesd47 квалификациялык стандартты, өтүнүч боюнча кеңейтилген миссиянын квалификациялык стандартына ээ.
Баштапкы жөнгө салуучуга туруктуулукка жетишүү үчүн Чекстин пин менен байланышкан тышкы конденттер туташтырылышы керек.Серия индукташы 15 NHден төмөн бойдон калуусун камсыз кылуу керек.
Учурдагы керектөө төмөнкүдөй сүрөттө көрсөтүлгөндөй өлчөнөт.

Сунушталган учурдагы керектөө режиминде
MCU төмөнкү шарттарга ылайык жайгаштырылган:
• Бардык четки белгилер иштен чыгарылган (Саат прокурактуу каттамчылар тарабынан токтотулган).
• VDD же VSSтин ичиндеги статикалык мааниси бар i / o pins input mode режиминде (жүктөө жок)
VDD жана TA үчүн жалпы эксперттердин шарттарын эске алуу менен.

Stm8s103f3p6 20 казык бар, анын пин аталыштары жана функциялары төмөнкүлөр:
PIN1 (PD4 / Beep / Tim2_ Ch1 / Uart1 _ck): Порт D4
Pin2 (PD5 / Ain5 / Uart1 _TX): Порт D5
PIN3 (PD6 / Ain6 / Uart1 _RX): Порт-D6
PIN4 (nrst): баштапкы абалга келтирүү
PIN5 (PA1 / Oscin): Порт А1
PIN6 (PA2 / OSCOUT): Порт А2
PIN7 (vs): санариптик жер
PIN8 (vCAP): 1.8 v жөнгө салуу
PIN9 (vdd): санариптик электр менен жабдуу
PIN10 (PA3 / TIM2_ CH3 [spi_ nss]): Порт A3
PIN11 (PB5 / I2C_ SDA [Tim1_ BKIN]): B5 порту
PIN12 (PB4 / I2C_ SCL): B4 порту
PIN13 (PC3 / Tim1_Ch3 [tli] [Tim1_ ch1n]): Порт С3
PIN14 (PC4 / CLK_CCO / TIM1_ CH4 / AIN2 / [TIM1_ ch2n]): Порт С4
PIN15 (PC5 / Spi_sck [Tim2_ ch1]): Порт-C5
PIN16 (PC6 / Spi_Mosi [Tim1_ ch1]): Порт-С6
PIN17 (PC7 / spi_miso [tim1_ ch2])): Порт C7
PIN18 (PD1 / SWIM): Порт Д1
PIN19 (PD2 / AIN3 / [TIM2_ ch3]): Порт D2
PIN20 (PD3 / Ain4 / Tim2_ Ch2 / ADC_ ETR): Порт-Д3
Жогорудагы сүрөттө көрсөтүлгөндөй, STM8S103F3P6 чипи 16га чейин, GPIO, Перифериялык интерфейстер, adc ж.б.у.с.тышкы сигналдарды же чыгуучу казыктарды чыгаруу үчүн, тышкы түзмөктөргө сигналдарды жөнөтүү үчүн тышкы сигналдарды же чыгуучу казыктар катары колдонулат.Мындан тышкары, ар бир I / O PIN-ПИН-ПИНПИТ өз алдынча үзгүлтүккө учураган векторду өз алдынча дайындоого болот.
• Автоматташтыруу тутумдары: Бул микроконкролик электр жабуулары, кирүүчү контролдоо тутумдары, температураны көзөмөлдөө жана жарык берүү сыяктуу автоматташтыруу тутумдарында колдонсо болот.
• IOT (нерселердин интернет) Колдонмо: Эгерде биз IOT шаймандарын иштеп чыгышыбыз керек болсо, анда ар кандай сенсорлорду жана байланыш модулдарын туташтыруу жана контролдоо үчүн контролер катары колдонсо болот.
• Жеке электрондук шаймандар: Санарип Камераларында, MP3 жана Mp4 оюнчулары, электрондук оюн консолдору ж.б.
Электрондук жабдуулар: Ар кандай электрондук жабдууларды иштеп чыгуу үчүн колдонулат
, мисалы, электрондук оюнчуктар, алыстан башкаруу элементтери, мини калькуляторлор ж.б.
• Өнөр жай талаасы: PLC, Өнөр жай контроллерлору, процесстерди автоматташтыруу жана автоматтык башкаруу жабдууларын ж.б.
• Маалыматтарды алуу жана сенсор интерфейси: экологиялык шарттарды көзөмөлдөө үчүн колдонулат жана маалыматтарды чогултуу үчүн колдонулат
• Кышталган башкаруу тутуму: Тиричилик техникасы, өнөр жайлык жабдуулар, электр шаймандары, энергия шаймандары, анын 8-биттик иштетүү күчү, көптөгөн жөнөкөй контролдук милдеттер үчүн 8-биттик иштетүү күчү.
STM8S103F3P6 - StmicRoelelectronics тарабынан иштелип чыккан микрокронкроллер чипи.Бул 8 биттик микрокронтоллордун үй-бүлөсүнө таандык жана ар кандай орнотулган тутумдарда жана IOT тиркемелеринде кеңири колдонулат.
Stm8s103f3p6 микроконтроллинин бирдиги 640 бит Ром, 10 биттик 5 канал ADC, 1KB RAM жана 8КБ программа эс тутумунун көлөмү менен иштейт.
MSP430G2353, Pic18f18444T, stm8s103f3p3, stm8s103f3p3tr же stm8s103f3p6tr.
Ооба, STM8S103F3P6 төмөн энергия функциялары менен иштелип чыккан жана энергиянын натыйжалуулугу маанилүү болгон батарейка менен иштеткен же төмөн энергетикалык колдонмолордо колдонсо болот.
STM8S103F3P6 камтылган кээ бир негизги өзгөчөлүктөр (жалпы максаттагы) Pins, UART (универсалдуу асинхрондук кабыл алгычтар / өткөргүч) байланыш, I2c (интеграцияланган схема) байланыш, SPI (сериялык перифериялык интерфейс) байланыш, таймерлер жана башкалар.
Биз жөнүндө
Кардарлардын канааттануусу ар дайым.Өз ара ишеним жана жалпы кызыкчылыктар.
Литий монетасынын техникалык мүнөздөмөлөрү CR2354
2024-08-02
ATMEGA328-PU үчүн микрокконтролер
2024-08-02
Email: Info@ariat-tech.comHK TEL: +852 30501966КОШУУ: Rm 2703 27F Ho King Comm Center 2-16,
Fa Yuen St MongKok Kowloon, Гонконг.